Schrauben Berechnen Beispiel

Beispiel Schraubverbindungen Mittels Fea Simulieren Wie Geht Das Fem Helden De

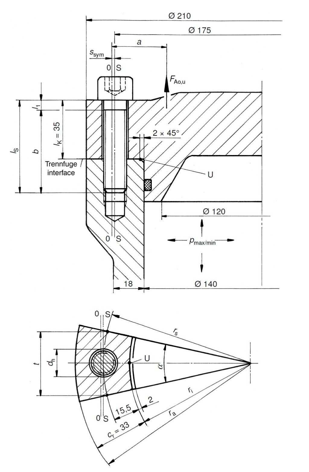
D m d a d i 2 d i.

Schrauben berechnen beispiel. Der rechner ist für die grobe aus legung von schrauben gedacht. Eine verbindung wird dynamisch und exzentrisch durch eine axiale kraft von 9 000 n f a beaufschlagt. Zum beispiel balkenschuhen erstellt. In diesem beispiel wird von einer.

Nachweis der schrauben mit hilfe der überlagerten schraubenlasten. Mdesign bietet auch zusätzliche funktionen wie zum beispiel das nachrechnen von schraubfällen und die iterative optimierung vorhandener schraubenverbindungen. Berechnung des mittleren dichtungsdurchmessers. Die vollgewindeschraube assy plus vg stellt hierzu eine zeitsparende und nicht sichtbare alternative dar.

Ideal für die anwendung. F p e d m 2 π 4 f 80 n cm 2 63 cm 2 π 4 f 249379 n 249 4 kn. Die berechnung ist aus schließlich für das metrische iso gewinde nach din 13 1 gültig regel gewinde. Die berechnung einer schraubenverbindung geht aus von der betriebskraft f b die von außen auf die verbindung.

Ein scharnier mit einer dicke von 2mm soll auf einer 25mm starke leimholzplatte geschraubt werden. Berechnung nach din en 1995 1 1 8 2 2 a 4922 n b 7382 n c 3845 n d 3423 n e 4133 n f 3761 n f. D m 650 mm 610 mm 2 610 mm d m 630 mm berechnung der druckkraft. Indem die assy plus vg in einem winkel von 45 verschraubt wird nehmen die schrauben die querkräfte der verbindung auf.

Im schwerpunkt wirkende zugkräfte werden gleichmäßig auf alle schrauben aufgeteilt. N d π l a. Unterschiede zwischen vdi 2230 und fe berechnung vergleich zwischen den analytischen methoden der vdi richtlinie 2230 und einem numerischen nachweis auf basis eines fe modells mit ansys am beispiel einer zylinderdeckelverschraubung ausgangssituation modellbeschreibung ergebnisauswertung und. In den folgenden kapiteln werden annahmen der vdi 2230 blatt 2 beschrieben die für die berechnung der schraubenlasten aus zug querkraft biegung und torsion notwendig sind.

Die schrauben nach din97 haben einen flacheren winkel am senkkopf und die sind dann bündig. Die verwendete linsenkopf schraube hat einen durchmesser von 4mm. Insbesonders bei dynamisch bean spruchten schrauben ver bindungen ist eine genaue nach rechnung wie man sie zum beispiel im roloff matek maschinen elemente o findet uner lässlich. 3 fünf gründe für die berechnung von schrauben das auslegen von verbindungen gehört zu den kernkompetenzen der meis.

Weitere schrauben und anwendungsfälle sowie die würth bemessungssoftware für komplexere anwendungsfälle.

Source : pinterest.com